一、產品簡介:
適用于空間有限的場合使用。
二、技術指標:
|
量程 |
10~2000Kg(0.1~20kN) |
輸入阻抗 |
350±20Ω |
|
靈敏度 |
1.0~1.5 mV/V |
輸出阻抗 |
350±3Ω |
|
綜合精度 |
±0. 5%F.S |
絕緣電阻 |
>5000 MΩ |
|
蠕變 |
±0.05%F.S/30min |
供橋電壓 |
建議10VDC |
|
零點輸出 |
±1.00%F.S |
工作溫度 |
-20~+65℃ |
|
零點溫度影響 |
±0.05%F.S/10℃ |
安全過載 |
150%F.S |
|
輸出溫度影響 |
±0.05%F.S/10℃ |
材質 |
不銹鋼 |
|
接線方式 |
輸入:紅(+)黑(-) 輸出:綠(+) 白(-) |
||
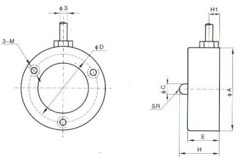
三、外形尺寸:

|
量程 |
尺寸/mm |
||||||||
|
KN |
相當于kg |
φA |
φC |
φD |
H |
E |
M |
H1 |
SR |
|
0.1~2 |
10~200 |
20 |
2.5 |
15.5 |
12 |
10 |
M3 |
3.5 |
6 |
|
3~10 |
300~1000 |
26 |
5 |
18.5 |
15 |
11.5 |
M4 |
3.5 |
6 |
|
20 |
2000 |
30 |
8 |
20 |
18 |
14 |
M4 |
3.5 |
15 |





