一、產品簡介:

GY-3B型輪輻式傳感器高度低,抗偏載能力強,廣泛應用于皮帶秤、料斗秤、倉儲秤、料罐、材料力學試驗機、勞保安全檢測設備。
二、技術指標:
|
量程 |
0.5~100t(5~70kN) |
輸入電阻 |
380±10Ω |
750±15Ω |
|
靈敏度 |
2.0 mV/V |
輸出電阻 |
350±3Ω |
700±5Ω |
|
綜合精度 |
0.05~0.1%FS |
絕緣電阻 |
>5000 MΩ |
|
|
蠕 變 |
±0.05%FS |
供橋電壓 |
建議10VDC |
|
|
零點輸出 |
±1.00%FS |
工作溫度 |
-20~+65℃ |
|
|
零點溫度影響 |
±0.05%FS/10℃ |
安全過載 |
150%FS |
|
|
輸出溫度影響 |
±0.05%FS/10℃ |
材質 |
合金鋼或不銹鋼 |
|
|
接線方式 |
輸入:紅(+)黑(-) 輸出:綠(+) 白(-) |
|||
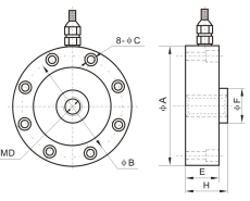
三、外形尺寸:
|
量程 |
尺寸mm |
|||||||
|
kN |
t |
ФA |
ФB |
ФC |
ФF |
MD |
H |
E |
|
5~70 |
0.5~7 |
105 |
88.9 |
6.5 |
32 |
M16*1.5 |
37 |
34 |
|
100~250 |
10~25 |
125 |
101.6 |
8.5 |
39 |
M32*1.5 |
52 |
48 |
|
300~500 |
30~50 |
145 |
116.8 |
10.5 |
50 |
M40*1.5 |
58 |
54 |
|
600~1000 |
60~100 |
205 |
162 |
12.5 |
80 |
M60*2 |
85 |
78 |

|
量程 |
尺寸mm |
|||||
|
kN |
相當于t |
Ф |
L1 |
L |
M |
SR |
|
5~70 |
0.5~7 |
31 |
13 |
28 |
M16*1.5 |
80 |
|
100~250 |
10~25 |
38 |
24 |
51 |
M32*1.5 |
120 |
|
300~500 |
30~50 |
50 |
32 |
62 |
M40*1.5 |
200 |
|
600~1000 |
60~100 |
80 |
42 |
80 |
M60*2 |
280 |





